Motorlyft med lastbalansering 680 kg, Bahco
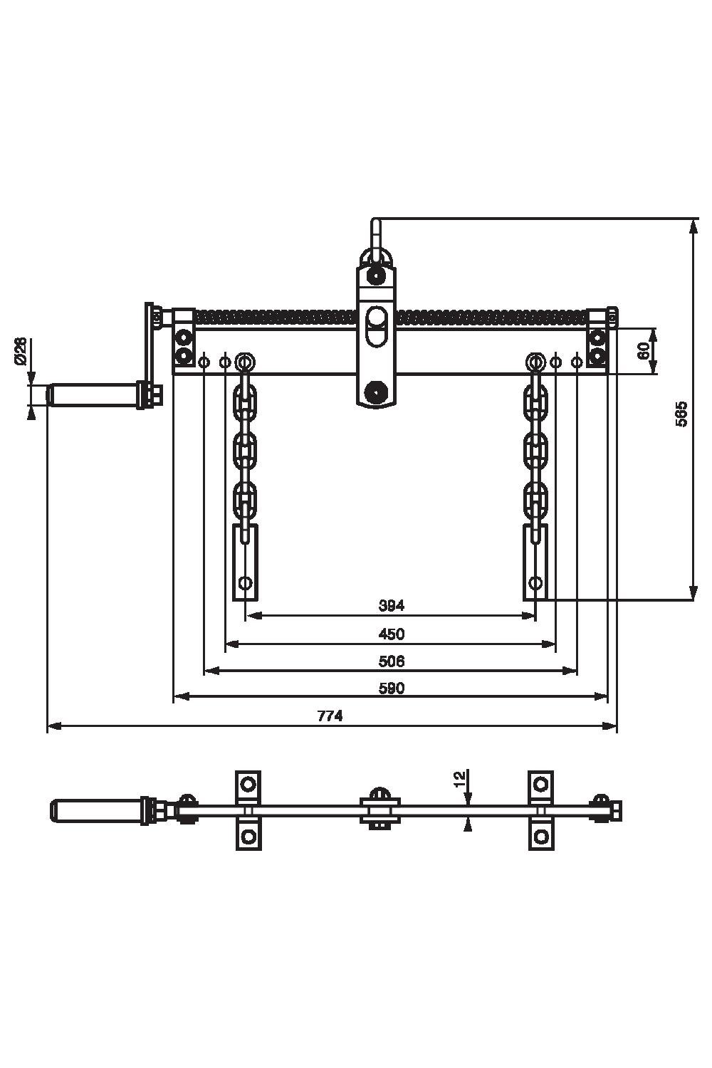
Lyftok för lyft och balansering av motorer eller upplyfta delar med excentrisk tyngdpunkt.
Lägg till en bevakning så meddelar vi dig så snart varan är i lager igen.
Motorlyft med lastbalansering 680 kg, Bahco
Beskrivning
Lyftok för lyft och balansering av motorer eller upplyfta delar med excentrisk tyngdpunkt.
Lastkapacitet: 680 kg.
Balanspunkten är justerbar med det fällbara handtaget, 190 mm på vardera sidan från centrum.
Längden på 640 mm möjliggör enkel fastsättning av de större motorerna på marknaden.
Kraftig svetsad kedja (Ø7,5 mm) och solida monteringsplattor.
Lämpligt tillbehör för vårt sortiment av kranar: BH6FC1000, BH6FC2000 och BH6PC600.
CE-certifierad av Official Independent Technical Inspection Association
